ffzd1604t-凯发天生赢家
您好,欢迎来到机电一体化网!
[ ]
凯发天生赢家
| | | |
搜索
0571-87774297
凯发天生赢家
供应信息
求购信息
产品信息
企业信息
您当前位置:
凯发天生赢家
>
产品信息
>
轴承
产品简介
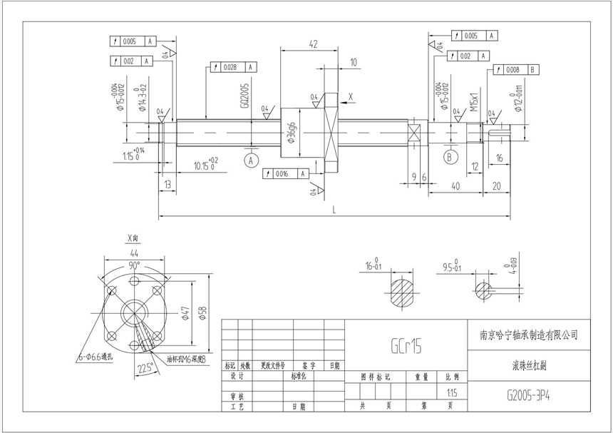
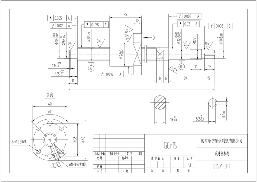
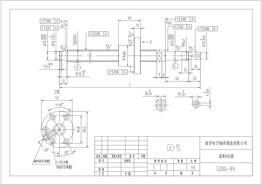
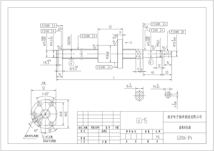
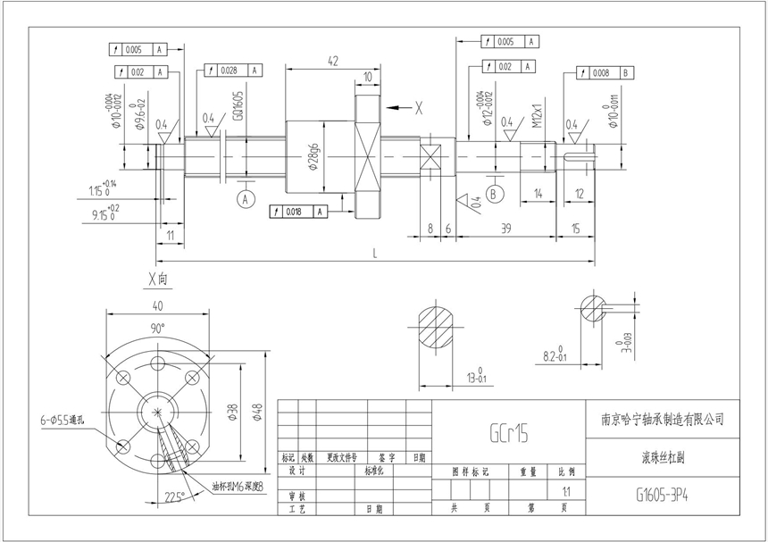
ffzd1604t-3-p5\/319x217滚珠丝杠副,来图加工生产,来样加工,维修
产品价格:
¥2000.00
上架日期:
2024-10-29 16:59:36
产地:
江苏南京
发货地:
江苏南京
供应数量:
不限
最少起订:
1件
浏览量:
32
点击询价
资料下载:
点击下载
其他下载:
暂无相关下载
详细说明
在线询盘/留言
*
您的姓名:
*
联系手机:
固定电话:
*
联系邮箱:
所在单位:
*
需求数量:
*
咨询内容:
我想了解:《ffzd1604t-3-p5\/319x217滚珠丝杠副,来图加工生产,来样加工,维修》的详细信息.请商家尽快与我联系。
您要求给厂家提供:
免责声明:以上所展示的信息由企业自行提供,内容的真实性、准确性和合法性由发布企业负责,本网对此不承担任何保证责任。我们原则 上建议您选择本网高级会员或vip会员。
企业信息
南京哈宁轴承制造有限公司
会员级别:
------------ 凯发天生赢家的联系方式 ------------
联系人:
刘长岭(先生)
联系电话:
025-86629730
联系手机:
13801591302
传真号码:
025-52300551
企业邮箱:
hrbn@vip.qq.com
网址:
邮编:
211113
地址:
江苏南京江宁区禄口华商路领鑫市场10区4栋106
进入商铺
最新供应
abb 3bse015196r1 数字量控制板
质量可靠 1734-233asc 机架 控制器模块
abb 3bse013281r1 模拟远程单元
parker 642b-9-3/4-2
parker 801234-aaa-nr
三菱总线光缆mr-j3bus03m
三菱伺服放大器mr-j4-40b
三菱plc网络模块qj71e71-100
三菱plc网络模块qj71gp21-sx
parker d81vw21c1njw8975 max
d1fve02bcvf0a41 parker
parker prm3aa17snn-50
parker 130cp-03-us18-007
科尔摩根伺服驱动器ce03260
西门子cpu模块6es7313-6cf03-0ab0
推荐供应
网站地图